<ul id="ge6mw"></ul>
  • <ul id="ge6mw"><tbody id="ge6mw"></tbody></ul>
  • <samp id="ge6mw"><tbody id="ge6mw"></tbody></samp>

    Q47H ash unloading ball valve

    Q47H ash unloading ball valve
    • sell:021-32051999
    • sell:021-32050777
    • fax:021-66099555

    Details

    • Product Introduction
    • Service Promise
    • Ordering Process

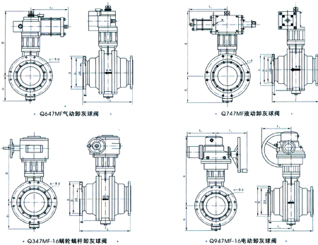
    Q47H discharging ball valve/Q947H electric discharging ball valve/Q647H pneumatic discharging ball valve in petroleum, natural gas, coal and ore mining, refining processing and pipeline transportation system; in chemical products, pharmaceutical and food production; in hydroelectric, thermal and nuclear power production system; in urban and industrial enterprises water supply and drainage, heating It is an important mechanical product closely related to production and construction, national defense and people's life. Ball valves are sealed in various pipeline systems to cut off or connect the flow of media, so that the media in accordance with predetermined procedures to the designated points.


    Product characteristics of ash unloading ball valves


    1, manual parts can be pressed by steel plate or stainless steel casting handle. The handle is equipped with a limit structure, and a limit is set at the position where the valve is opened and closed. When the valve is used on the key device, a lock hole is arranged on the limit block to avoid misoperation. The handle is marked clearly on and off.


    2, the stem adopts A182F (1Cr13) forging and modulating, and the hardness reaches HB220 ~ 250. The valve stem is connected with the handle through a flat key or a spline or a square bond. It is versatile and easy to assemble and disassemble. The valve stem is provided with anti blow out structure.


    3. The packing of the valve is knitted, flexible graphite seal ring or tetrafluoroethylene seal ring, which makes the stem seal reliably under certain lubrication conditions.


    4. According to the need, the ball valve can be designed as an anti-static structure. Conductive springs are arranged between the ball and the valve stem, the valve stem and the valve body to avoid electrostatic ignition of inflammable substances and ensure the safety of the system.


    5, various forms of sealing pairs. Soft seal, hard seal and fire-proof seat can be selected according to different working conditions; float ball type is below DN150 and fixed ball type is below DN200.


    6. The auxiliary sealing structure can be set at the valve seat of the ball valve, and the grease injection valve can be installed at the valve seat and the valve stem position, which can be temporarily sealed in emergency, and the valve stem can be lengthened as needed to fit the buried place.


    Material for main parts of ash unloading ball valve

    valve body
    Stem
    Valve ball
    Sealing surface
    Shim
    filler
    working temperature
    Applicable medium
    WCB
    1Cr13
    1Cr13

    1Cr13


    Stellite Alloy


    Bulk material

    Flexible graphite


    Stainless steel plus flexible graphite


    08 soft steel


    F304 F316

    Flexible graphite


    Graphene

    -29-425℃
    Water, steam and oil
    WC6
    15CrMo
    15CrMo
    -29-425℃
    WC9
    25Cr2MoV
    25Cr2MoV
    LCB
    304
    304
    -46-354℃
    CF8
    304
    304
    -196-600℃
    Some acids and bases
    CF3
    304L
    304L
    CF8M
    316
    316
    CF3M
    316L
    316L
    Main dimensions of ash discharge ball valves
    Nominal pressure
    50
    65
    80
    100
    125
    150
    200
    250
    300
    350
    400
    450
    500
    Series1L
    216
    241
    283
    305
    356
    394
    457
    533
    610
    686
    762
    864
    914
    Series2L
    -
    -
    -
    -
    -
    -
    500
    600
    700
    800
    900
    -
    1000
    H
    102
    114
    127
    152
    184
    219
    273
    360
    395
    430
    470
    550
    580
    Manual
    H1
    107
    125
    152
    178
    300
    330
    398
    495
    580
    625
    670
    698
    840
    E
    -
    -
    -
    -
    -
    -
    115
    116
    171
    171
    257
    257
    257
    F
    -
    -
    -
    -
    -
    -
    350
    350
    400
    420
    400
    420
    400
    W
    230
    400
    400
    650
    1050
    1050
    600
    600
    800
    800
    800
    800
    800
    WT(KG)
    12
    16
    22
    35
    58
    74
    205
    322
    460
    576
    864
    1280
    1600
    Electric power
    H2
    -
    -
    -
    -
    -
    554
    600
    652
    760
    770
    830
    -
    940
    L1
    -
    -
    -
    -
    -
    235
    235
    235
    259
    400
    400
    -
    410
    Pneumatic
    H3
    274
    379
    389
    479
    552
    666
    736
    926
    1059
    1127
    1127
    1468
    1538
    L2
    270
    405
    405
    576
    576
    776
    776
    776
    1060
    1060
    1060
    1360
    1360

    The best quality, first-class service Qigao creates more value for you!

    "Qigao Valve" expects to continuously improve service quality and strive for excellence. "Sincere service" is the eternal theme of "Qigao". "Qigao" strictly followsIS09001-2000 Quality system certification requirements, strict quality control, responsibility to people, to ensure the healthy operation of production, sales and service. Strengthen communication with users and provide quality products to our customers with perfection and perfect service. Hereby our factory makes the following commitments:

    Product Standards:

    Products in strict accordance with ChinaGB、HG Standard and USAPISuch as standard design, manufacturing, acceptance. The hardness of the sealing surface meets the requirements of the state and the width exceeds the national standard.

    pre-sale service:

    Product introduction, technical exchange, non-standard product design, troubleshooting。

    Sale service:

    A trustworthy contract guarantees timely delivery and keeps in touch with customers. For special or duplicate products, our factory arranges technicians to use and troubleshoot the products for users.

    After sales service:

    1、"Qigao" brand product quality period is from the factory12In the month, the implementation of the "three guarantees" service (return, replacement, warranty).

    2、During the use of our products, our factory regularly organizes technical and quality inspection personnel to visit and consult users for feedback on product quality, usage status and improvement opinions, so as to further improve product quality.

    3、Respond quickly to the quality of user complaints, after-sales service personnel rushed to the scene in 24-36 hours (48 hours outside the province).

    4、For after-sales service, users are required to fill out the quality feedback information form after the service and make an appraisal opinion in order to improve the service quality of Qigao.

    1、If the customer has special requirements for the product, the following instructions must be provided in the order contract.:

    a、Structure length;

    b、Connection Type;

    c、Nominal diameter, full diameter, reduced diameter, pipe size;

    d、Operating medium and temperature, pressure range;

    e、Tests, inspection standards and other requirements

    2、The factory can configure various types of driving devices according to customer's specific requirements.。

    3、If the type and model of the valve are determined by the customer, the customer shall correctly state the meaning and requirements of the model and sign the contract under the condition that the supplier and the buyer understand each other.

    4、For futures and order customers, please call us in advance to tell the required valve model, specification, quantity, delivery time and location, and timely transfer to the factory account according to the total 30% deposit or full payment. The rest of the payment is pending. Import before shipment to arrange delivery in time.

     

    Order Process:

    1、Customer purchase list fax to021-33872143,Or call us 021-33872141

    2、Receive customer purchase list, provide valve model selection and quotation (price list)。

    3、Specific agreement: delivery date, special requirements, etc.。

    download Google:

    1、If the customer has special requirements for the product, the following instructions must be provided in the order contract.:

    a、Structure length;

    b、Connection Type;

    c、Nominal diameter, full diameter, reduced diameter, pipe size;

    d、Operating medium and temperature, pressure range;

    e、Tests, inspection standards and other requirements

    2、The factory can configure various types of driving devices according to customer's specific requirements.。

    3、If the type and model of the valve are determined by the customer, the customer shall correctly state the meaning and requirements of the model and sign the contract under the condition that the supplier and the buyer understand each other.

    4、For futures and order customers, please call us first to tell the required valve model, specifications, quantity, delivery time and location, and press the total30%The deposit or full payment will be remitted to our factory account in time., The rest of the payment will be remitted before shipment to arrange delivery in time.。

    Sale service:

    Trustworthy contract, guarantee timely delivery, keep in touch with customers at any time。

    For special or duplicate products, our factory arranges technicians to use and troubleshoot the products for users.

    After sales service:

    1、"Qigao" product quality period is from the factory12Month, practiceThree packsService (return, replacement, warranty)。

    2、During the use of our products, our factory regularly organizes technical and quality inspection personnel to visit and consult users for feedback on product quality, usage status and improvement opinions.,
    In order to further improve product quality。

    3、Respond quickly to the quality of user complaints, after-sales service personnel24-36Hours (outside the province48Hour) rushed to the scene。

    4、For after-sales service, the user is required to fill out the quality feedback information form after the service and make an appraisal opinion in order to improve the service quality of “Qigao”.。

    statement

    1. All text, data and pictures in this article are for reference only.Q47H ash unloading ball valvePlease contact us at 4000-700-665 for details of performance, size and price.
    2. If there is no explanation, this article is original, reprint, please indicate the address of this article, thank you for your cooperation!
    <ul id="ge6mw"></ul>
  • <ul id="ge6mw"><tbody id="ge6mw"></tbody></ul>
  • <samp id="ge6mw"><tbody id="ge6mw"></tbody></samp>