<ul id="ge6mw"></ul>
  • <ul id="ge6mw"><tbody id="ge6mw"></tbody></ul>
  • <samp id="ge6mw"><tbody id="ge6mw"></tbody></samp>

    Pneumatic regulating butterfly valve

    Pneumatic regulating butterfly valve
    • sell:021-32051999
    • sell:021-32050777
    • fax:021-66099555

    Details

    • Product Introduction
    • Service Promise
    • Ordering Process

    ZMAW pneumatic membrane control butterfly valve / ZSRW, ZSCW pneumatic piston control butterfly valve input control signal (4-20mADC or 1-5VDC) air source can control operation, simple and compact structure, easy to manufacture large diameter, with self-cleaning effect, small resistance coefficient, large flow capacity. It is suitable for the regulation of suspended solids and strong and turbid slurry fluids. Clean medium, can choose the valve plate plus soft seal (rubber ring, tetrafluoro ring) to reduce leakage (up to 0.01%), high temperature and high pressure can choose the three eccentric hard seal valve body. The order must be marked.


    Main technical parameters of pneumatic regulating butterfly valve

    Nominal path mm
    50
    80
    100
    125
    150
    200
    250
    300
    350
    400
    450
    500
    600
    700
    800
    900
    1000
    Rated discharge coefficient Kv
    85
    220
    340
    530
    770
    1360
    2130
    3060
    4160
    5450
    6900
    8500
    12200
    16600
    21700
    27540
    34000
    Nominal pressure MPa
    0.6
    Rated turning angle °
    70
    Signal pressure KPa
    20~100
    Flow characteristics
    近似等百分比
    Medium temperature ℃
    -20~200(常溫) ; -40~450(中溫) ; -40~600(高溫)
    Nozzle flange
    按JB78-59對夾式法蘭連接
    Signal connection screw hole
    M16×1.5
    Matching actuator
    Thin film
    ZMA-2
    ZMA-3
    ZMA-4
    ZMA-5
    Piston type
    ZSC-45
    body material
    ZG230-450;1Cr18Ni9; ZG1Cr18Ni9Ti、ZGOCr18Ni12Mo2Ti
    Appendable appendage
    Handwheel, locator, air filter and pressure reducer.
    Material and recommended temperature range for main components of pneumatic regulating butterfly valves
    Part name
    Material Science
    Temperature range C
    Body valve plate
    ZG230-450
    -40-450
    ZG1Cr18Ni9Ti
    -250-550
    ZG0Cr18Ni12Mo2Ti

    Note: This table is the limit service temperature of all kinds of materials. In actual selection, the lowest and highest service temperature of materials should be determined according to the medium temperature range of the products. The lowest service temperature should not be lower than the lower limit of the medium temperature range, and the highest service temperature should not be higher than the upper limit of the medium temperature range.


    Main technical parameters of pneumatic regulating butterfly valve thin film actuator

    Model
    ZMA-2
    ZMA-3
    ZMA-4
    ZMA-5
    effective area cm2
    280
    400
    630
    1000
    Trip mm
    16
    25
    40
    60
    Spring range KPa
    20~100 ; 40~200 ; 20~60 ; 60~100
    Main technical parameters of pneumatic actuator for butterfly valve actuator
    Model
    Piston diameter mm
    effective area cm2
    Maximum stroke mm
    Maximum operating pressure KPa
    Maximum output force N
    ZSC-45
    250
    484
    60
    500
    21800
    Performance specification of pneumatic regulating butterfly valve
    Executing agency
    Thin film actuator
    Piston actuator
    Category
    Without locator
    Belt locator
    Belt locator
    Spring range KPa
    20~100 40~200
    20~60 60~100
    Project
    Basic error%
    ±8
    -
    ±2.0
    ±2.0
    Difference%
    6
    -
    2.0
    2.0
    Dead zone%
    5
    -
    0.8
    0.8
    Always point deviation%.
    Air opening
    Starting point
    ±4.0
    ±4.0
    ±2.0
    ±
    End
    ±8
    ±8
    Gas pass
    Starting point
    ±8
    ±8
    End
    ±4.0
    ±4.0
    Rated angle deviation%
    ±2.5
    Allowable leakage 1/h
    Rated capacity of 2 * 10-2 * valves
    MPa
    Matching actuator type
    ZMA-2
    ZMA-3
    ZMA-4
    ZMA-5
    ZSC-45
    70°
    70°
    70°
    70°
    70°

    Nominal path

    mm

    50
    0.6
    0.097
    (0.22)
    80
    0.6
    0.038
    (0.086)
    100
    0.556
    (0.6)
    0.0196
    (0.0445)
    125
    0.6
    0.0250
    (0.0542)
    150
    0.444
    (0.6)
    0.0150
    (0.0314)
    200
    0.185
    (0.407)
    0.00587
    (0.0129)
    250
    0.331
    (0.6)
    0.00845
    (0.0175)
    300
    0.181
    (0.385)
    0.00461
    (0.00983)
    350
    0.133
    (0.284)
    0.00292
    (0.00622)
    400
    0.216
    (0.45)
    0.00485
    (0.0101)
    450
    0.171
    (0.356)
    0.00341
    (0.00741)
    500
    0.139
    (0.289)
    0.0025
    (0.0052)
    600
    0.6
    0.019
    700
    0.6
    0.0119
    800
    0.442
    0.00795
    900
    0.339
    0.00599
    1000
    0.236
    0.00403

    Note: the values in brackets are allowable pressure differences with positioners.


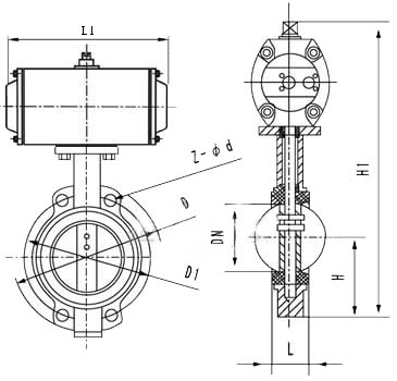
    Main size of pneumatic regulating butterfly valve


    ZMAW pneumatic thin film adjusting butterfly valve

    Shape size
    公稱通徑
    D1
    D2
    L1
    L2
    n-d
    H
    H1
    H2
    D
    L3
    法蘭端面距
    50
    110
    92
    200
    4-14
    637
    582
    382
    280
    278
    60
    80
    150
    125
    92
    200
    4-18
    644
    582
    382
    280
    278
    100
    175
    145
    102
    210
    654
    280
    278
    125
    200
    175
    117
    234
    8-18
    723
    636
    436
    325
    278
    150
    225
    200
    130
    247
    736
    325
    278
    200
    280
    255
    172
    287
    763
    325
    278
    70
    250
    335
    310
    197
    327
    12-18
    1008
    853
    615
    410
    376
    300
    395
    362
    227
    351
    12-23
    1034
    410
    376
    80
    350
    445
    412
    252
    376
    1059
    410
    376
    400
    495
    462
    296
    432
    16-23
    1238
    1007
    720
    495
    376
    100
    450
    550
    518
    321
    459
    1266
    495
    376
    500
    600
    568
    346
    484
    1291
    495
    376
    600
    705
    755
    480
    565
    20-25
    1486
    1109
    796
    180
    150
    700
    810
    860
    530
    615
    24-25
    1539
    180
    800
    920
    975
    595
    675
    24-30
    1596
    180
    200
    900
    1020
    1075
    685
    770
    24-30
    1661
    1124
    180
    1000
    1120
    1175
    735
    810
    28-30
    1711
    1124
    180
    200
    ZSRW, ZSCW pneumatic piston adjusting butterfly valve
    Shape size


    Nominal pathDN

    Structure length

    (standard value)

    Connection size
    L
    H
    H1
    PN0.6MPa
    PN1.0MPa
    mm
    inch
    Flanged
    Pair clip
    D
    D1
    Z-d
    D
    D2
    Z-d
    50
    2
    108
    43
    100
    400
    140
    110
    4--14
    165
    125
    4--18
    65
    21/2
    112
    46
    115
    420
    160
    130
    4--14
    185
    145
    4--18
    80
    3
    114
    49
    120
    138
    190
    150
    4--18
    200
    160
    8-18
    100
    4
    127
    56
    130
    524
    210
    170
    4--18
    220
    180
    8-18
    125
    5
    140
    64
    150
    570
    240
    200
    8-18
    250
    210
    8-18
    150
    6
    140
    70
    170
    743
    265
    225
    8-18
    285
    240
    8-22
    200
    8
    152
    76
    200
    767
    320
    280
    8-18
    340
    295
    8-22
    250
    10
    165
    76
    235
    790
    375
    335
    12-18
    395
    350
    12-22
    300
    12
    178
    83
    300
    890
    440
    395
    12-22
    445
    400
    12-22
    350
    14
    190
    92
    325
    954
    490
    445
    16-22
    505
    460
    16-22
    400
    16
    216
    102
    355
    1070
    540
    495
    16-22
    565
    515
    16-26
    450
    18
    222
    114
    390
    1140
    595
    550
    20-22
    615
    565
    20-26
    500
    20
    229
    127
    420
    1200
    645
    600
    20-26
    670
    620
    20-26
    600
    24
    267
    154
    490
    1380
    755
    705
    24--26
    780
    725
    20-30
    700
    28
    292
    165
    550
    1580
    860
    810
    24--30
    895
    840
    24--30
    800
    32
    318
    190
    640
    1760
    975
    920
    24--30
    1015
    950
    24--33
    900
    36
    330
    203
    710
    1075
    1020
    24--30
    1115
    1050
    28-33
    1000
    40
    410
    216
    770
    1175
    1120
    28--30
    1230
    1160
    28-36
    1200
    48
    470
    254
    890
    1405
    1340
    32-33
    1450
    1380
    32-39


    The best quality, first-class service Qigao creates more value for you!

    "Qigao Valve" expects to continuously improve service quality and strive for excellence. "Sincere service" is the eternal theme of "Qigao". "Qigao" strictly followsIS09001-2000 Quality system certification requirements, strict quality control, responsibility to people, to ensure the healthy operation of production, sales and service. Strengthen communication with users and provide quality products to our customers with perfection and perfect service. Hereby our factory makes the following commitments:

    Product Standards:

    Products in strict accordance with ChinaGB、HG Standard and USAPISuch as standard design, manufacturing, acceptance. The hardness of the sealing surface meets the requirements of the state and the width exceeds the national standard.

    pre-sale service:

    Product introduction, technical exchange, non-standard product design, troubleshooting。

    Sale service:

    A trustworthy contract guarantees timely delivery and keeps in touch with customers. For special or duplicate products, our factory arranges technicians to use and troubleshoot the products for users.

    After sales service:

    1、"Qigao" brand product quality period is from the factory12In the month, the implementation of the "three guarantees" service (return, replacement, warranty).

    2、During the use of our products, our factory regularly organizes technical and quality inspection personnel to visit and consult users for feedback on product quality, usage status and improvement opinions, so as to further improve product quality.

    3、Respond quickly to the quality of user complaints, after-sales service personnel rushed to the scene in 24-36 hours (48 hours outside the province).

    4、For after-sales service, users are required to fill out the quality feedback information form after the service and make an appraisal opinion in order to improve the service quality of Qigao.

    1、If the customer has special requirements for the product, the following instructions must be provided in the order contract.:

    a、Structure length;

    b、Connection Type;

    c、Nominal diameter, full diameter, reduced diameter, pipe size;

    d、Operating medium and temperature, pressure range;

    e、Tests, inspection standards and other requirements

    2、The factory can configure various types of driving devices according to customer's specific requirements.。

    3、If the type and model of the valve are determined by the customer, the customer shall correctly state the meaning and requirements of the model and sign the contract under the condition that the supplier and the buyer understand each other.

    4、For futures and order customers, please call us in advance to tell the required valve model, specification, quantity, delivery time and location, and timely transfer to the factory account according to the total 30% deposit or full payment. The rest of the payment is pending. Import before shipment to arrange delivery in time.

     

    Order Process:

    1、Customer purchase list fax to021-33872143,Or call us 021-33872141

    2、Receive customer purchase list, provide valve model selection and quotation (price list)。

    3、Specific agreement: delivery date, special requirements, etc.。

    download Google:

    1、If the customer has special requirements for the product, the following instructions must be provided in the order contract.:

    a、Structure length;

    b、Connection Type;

    c、Nominal diameter, full diameter, reduced diameter, pipe size;

    d、Operating medium and temperature, pressure range;

    e、Tests, inspection standards and other requirements

    2、The factory can configure various types of driving devices according to customer's specific requirements.。

    3、If the type and model of the valve are determined by the customer, the customer shall correctly state the meaning and requirements of the model and sign the contract under the condition that the supplier and the buyer understand each other.

    4、For futures and order customers, please call us first to tell the required valve model, specifications, quantity, delivery time and location, and press the total30%The deposit or full payment will be remitted to our factory account in time., The rest of the payment will be remitted before shipment to arrange delivery in time.。

    Sale service:

    Trustworthy contract, guarantee timely delivery, keep in touch with customers at any time。

    For special or duplicate products, our factory arranges technicians to use and troubleshoot the products for users.

    After sales service:

    1、"Qigao" product quality period is from the factory12Month, practiceThree packsService (return, replacement, warranty)。

    2、During the use of our products, our factory regularly organizes technical and quality inspection personnel to visit and consult users for feedback on product quality, usage status and improvement opinions.,
    In order to further improve product quality。

    3、Respond quickly to the quality of user complaints, after-sales service personnel24-36Hours (outside the province48Hour) rushed to the scene。

    4、For after-sales service, the user is required to fill out the quality feedback information form after the service and make an appraisal opinion in order to improve the service quality of “Qigao”.。

    statement

    1. All text, data and pictures in this article are for reference only.Pneumatic regulating butterfly valvePlease contact us at 4000-700-665 for details of performance, size and price.
    2. If there is no explanation, this article is original, reprint, please indicate the address of this article, thank you for your cooperation!
    <ul id="ge6mw"></ul>
  • <ul id="ge6mw"><tbody id="ge6mw"></tbody></ul>
  • <samp id="ge6mw"><tbody id="ge6mw"></tbody></samp>