<ul id="ge6mw"></ul>
  • <ul id="ge6mw"><tbody id="ge6mw"></tbody></ul>
  • <samp id="ge6mw"><tbody id="ge6mw"></tbody></samp>

    D941X electric flange soft seal butterfly valve

    D941X electric flange soft seal butterfly valve
    • sell:021-32051999
    • sell:021-32050777
    • fax:021-66099555

    Details

    • Product Introduction
    • Service Promise
    • Ordering Process

    D941X electric flange soft seal butterfly valve is made of rubber sealing butterfly valve and carbon steel or stainless steel valve plate and stem. It is suitable for water supply and drainage of food, medicine, chemical industry, petroleum, electric power, light textile, papermaking, etc. at temperatures less than 80 ~ 120 (?)


    Product features


    1, the design is novel, reasonable, unique in structure, light in weight, quick in opening and closing.


    2, the operation torque is small, easy to operate, labor-saving and dexterous.


    3, can be installed at any location, easy maintenance.


    4, seals can be replaced, reliable sealing performance, two-way seal zero leakage.


    5. Sealing materials are characterized by aging resistance, weak corrosion resistance and long service life.


    Design standard: GB/T2238-1989


    Flange joint dimensions: GB/T9113.1-2000; GB/T9115.1-2000; JB78


    Structure length: GB/T12221-1989


    Pressure test: GB/T13927-1992; JB/T9092-1999


    Technical parameter of electric flange soft seal butterfly valve

    Nominal path
    DN(mm)
    50~800
    Nominal pressure
    PN(MPa)
    0.6
    1.0
    1.6
    Test pressure
    strength test
    0.9
    1.5
    2.4
    Seal test
    0.66
    1.1
    1.76
    Airtight test
    0.6
    0.6
    0.6
    Applicable medium
    Air, water, sewage, steam, gas, oil and so on.
    Driving form
    Manual, worm and worm gear drive, gas drive and electric drive.
    Part name
    Material Science
    閥體
    Ductile iron, cast steel, alloy steel, stainless steel
    蝶板
    Cast steel, stainless steel and special materials
    密封圈
    All kinds of rubber and polytetrafluoroethylene
    閥桿
    2Cr13, stainless steel
    填料
    O ring and flexible graphite O
    Selection and application temperature of sealing materials
    Variety of materials
    Chloroprene rubber
    Ding Qing rubber
    Ethylene propylene rubber
    Teflon
    silicon rubber
    Fluorine rubber
    Natural rubber
    nylon
    English abbreviated
    CR
    NBR
    EPDM
    PTFE
    SI
    VITON
    NR
    PA
    Model code
    X or J
    XA or JA
    XB or JB
    F or XC、JC
    XD or JD
    XE or JE
    X1
    N
    Maximum temperature resistance
    82℃
    93℃
    150℃
    232℃
    250℃
    204℃
    85℃
    93℃
    Minimum temperature tolerance
    -40℃
    -40℃
    -40℃
    -268℃
    -70℃
    -23℃
    -20℃
    -73℃
    Applicable working temperature
    0~+80℃
    -20~+82℃
    -40~+125℃
    -30~+150℃
    -70~+150℃
    -23~+150℃
    -20~+85℃
    -30~+93℃
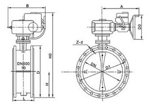
    Dimensions of electric flange soft seal butterfly valves

    nominal

    Path

    mm
    length

    Shape size

    (reference value)

    Connection size (standard value)

    kg
    0.6MPa
    1.0MPa
    1.6MPa
    L
    H
    H0
    A
    B
    D
    D1
    D2
    n-d
    D
    D1
    D2
    n-d
    D
    D1
    D2
    n-d
    50
    108
    63
    306
    180
    200
    140
    110
    88
    4-14
    165
    125
    99
    4-18
    165
    125
    99
    4-18
    13
    65
    112
    70
    321
    180
    200
    160
    130
    108
    4-14
    185
    145
    118
    4-18
    185
    145
    118
    4-18
    14
    80
    114
    83
    346
    180
    200
    190
    150
    124
    4-18
    200
    160
    132
    8-18
    200
    160
    132
    8-18
    15.5
    100
    127
    105
    387
    180
    200
    210
    170
    144
    4-18
    220
    180
    156
    8-18
    220
    180
    156
    8-18
    19.5
    125
    140
    115
    411
    180
    200
    240
    200
    174
    8-18
    250
    210
    184
    8-18
    250
    210
    184
    8-18
    25.5
    150
    140
    137
    447
    270
    280
    265
    225
    199
    8-18
    285
    240
    211
    8-22
    285
    240
    211
    8-22
    28.5
    200
    152
    164
    572
    270
    280
    320
    280
    254
    8-18
    340
    295
    266
    8-22
    340
    295
    266
    12-22
    48
    250
    250
    206
    646
    270
    280
    375
    335
    309
    12-18
    395
    350
    319
    12-22
    405
    355
    319
    12-26
    69
    300
    270
    230
    738
    380
    420
    440
    395
    363
    12-22
    445
    400
    370
    12-22
    460
    410
    370
    12-26
    91
    350
    290
    248
    761
    380
    420
    490
    445
    413
    12-22
    505
    460
    429
    16-22
    520
    470
    429
    16-26
    110
    400
    310
    289
    877
    450
    470
    540
    495
    463
    16-22
    565
    515
    480
    16-26
    580
    525
    480
    16-30
    140
    450
    330
    320
    938
    480
    490
    595
    550
    518
    16-22
    615
    565
    530
    20-26
    640
    585
    548
    20-30
    180
    500
    350
    343
    993
    480
    490
    645
    600
    568
    20-22
    670
    620
    582
    20-26
    715
    650
    609
    20-33
    215
    600
    390
    413
    1131
    480
    490
    755
    705
    667
    20-26
    780
    725
    682
    20-30
    840
    770
    720
    20-36
    290
    700
    430
    478
    1476
    640
    660
    860
    810
    772
    24-26
    895
    840
    794
    24-30
    910
    840
    794
    24-36
    560
    800
    470
    525
    1533
    640
    660
    975
    920
    878
    24-30
    1015
    950
    901
    24-33
    1025
    950
    901
    24-39
    910
    900
    510
    585
    1655
    750
    860
    1075
    1020
    978
    24-30
    1115
    1050
    1001
    28-33
    1125
    1050
    1001
    28-39
    1500
    1000
    550
    640
    1765
    850
    900
    1175
    1120
    1078
    28-30
    1230
    1160
    1112
    28-36
    1255
    1170
    1112
    28-42
    1750
    1200
    630
    755
    1995
    850
    900
    1405
    1340
    1295
    32-33
    1455
    1380
    1328
    32-39
    1485
    1390
    1328
    32-48
    2180
    1400
    710
    910
    2310
    1000
    925
    1630
    1560
    1510
    36-36
    1675
    1590
    1530
    36-42
    1685
    1590
    1530
    36-48
    2400
    1600
    790
    1030
    2595
    1000
    925
    1830
    1760
    1710
    40-36
    1915
    1820
    1750
    40-48
    1930
    1820
    1750
    40-56
    2870
    1800
    870
    1140
    2810
    1100
    980
    2045
    1970
    1918
    44-39
    2115
    2020
    1950
    44-48
    2130
    2020
    1950
    44-56
    3380
    2000
    950
    1250
    3100
    1100
    980
    2265
    2180
    2125
    48-42
    2325
    2230
    2150
    48-48
    2345
    2230
    2150
    48-62
    4010
    Note: if users are resistant to special requirements such as rubber, etc., please specify when ordering.

    The best quality, first-class service Qigao creates more value for you!

    "Qigao Valve" expects to continuously improve service quality and strive for excellence. "Sincere service" is the eternal theme of "Qigao". "Qigao" strictly followsIS09001-2000 Quality system certification requirements, strict quality control, responsibility to people, to ensure the healthy operation of production, sales and service. Strengthen communication with users and provide quality products to our customers with perfection and perfect service. Hereby our factory makes the following commitments:

    Product Standards:

    Products in strict accordance with ChinaGB、HG Standard and USAPISuch as standard design, manufacturing, acceptance. The hardness of the sealing surface meets the requirements of the state and the width exceeds the national standard.

    pre-sale service:

    Product introduction, technical exchange, non-standard product design, troubleshooting。

    Sale service:

    A trustworthy contract guarantees timely delivery and keeps in touch with customers. For special or duplicate products, our factory arranges technicians to use and troubleshoot the products for users.

    After sales service:

    1、"Qigao" brand product quality period is from the factory12In the month, the implementation of the "three guarantees" service (return, replacement, warranty).

    2、During the use of our products, our factory regularly organizes technical and quality inspection personnel to visit and consult users for feedback on product quality, usage status and improvement opinions, so as to further improve product quality.

    3、Respond quickly to the quality of user complaints, after-sales service personnel rushed to the scene in 24-36 hours (48 hours outside the province).

    4、For after-sales service, users are required to fill out the quality feedback information form after the service and make an appraisal opinion in order to improve the service quality of Qigao.

    1、If the customer has special requirements for the product, the following instructions must be provided in the order contract.:

    a、Structure length;

    b、Connection Type;

    c、Nominal diameter, full diameter, reduced diameter, pipe size;

    d、Operating medium and temperature, pressure range;

    e、Tests, inspection standards and other requirements

    2、The factory can configure various types of driving devices according to customer's specific requirements.。

    3、If the type and model of the valve are determined by the customer, the customer shall correctly state the meaning and requirements of the model and sign the contract under the condition that the supplier and the buyer understand each other.

    4、For futures and order customers, please call us in advance to tell the required valve model, specification, quantity, delivery time and location, and timely transfer to the factory account according to the total 30% deposit or full payment. The rest of the payment is pending. Import before shipment to arrange delivery in time.

     

    Order Process:

    1、Customer purchase list fax to021-33872143,Or call us 021-33872141

    2、Receive customer purchase list, provide valve model selection and quotation (price list)。

    3、Specific agreement: delivery date, special requirements, etc.。

    download Google:

    1、If the customer has special requirements for the product, the following instructions must be provided in the order contract.:

    a、Structure length;

    b、Connection Type;

    c、Nominal diameter, full diameter, reduced diameter, pipe size;

    d、Operating medium and temperature, pressure range;

    e、Tests, inspection standards and other requirements

    2、The factory can configure various types of driving devices according to customer's specific requirements.。

    3、If the type and model of the valve are determined by the customer, the customer shall correctly state the meaning and requirements of the model and sign the contract under the condition that the supplier and the buyer understand each other.

    4、For futures and order customers, please call us first to tell the required valve model, specifications, quantity, delivery time and location, and press the total30%The deposit or full payment will be remitted to our factory account in time., The rest of the payment will be remitted before shipment to arrange delivery in time.。

    Sale service:

    Trustworthy contract, guarantee timely delivery, keep in touch with customers at any time。

    For special or duplicate products, our factory arranges technicians to use and troubleshoot the products for users.

    After sales service:

    1、"Qigao" product quality period is from the factory12Month, practiceThree packsService (return, replacement, warranty)。

    2、During the use of our products, our factory regularly organizes technical and quality inspection personnel to visit and consult users for feedback on product quality, usage status and improvement opinions.,
    In order to further improve product quality。

    3、Respond quickly to the quality of user complaints, after-sales service personnel24-36Hours (outside the province48Hour) rushed to the scene。

    4、For after-sales service, the user is required to fill out the quality feedback information form after the service and make an appraisal opinion in order to improve the service quality of “Qigao”.。

    statement

    1. All text, data and pictures in this article are for reference only.D941X electric flange soft seal butterfly valvePlease contact us at 4000-700-665 for details of performance, size and price.
    2. If there is no explanation, this article is original, reprint, please indicate the address of this article, thank you for your cooperation!
    <ul id="ge6mw"></ul>
  • <ul id="ge6mw"><tbody id="ge6mw"></tbody></ul>
  • <samp id="ge6mw"><tbody id="ge6mw"></tbody></samp>