<ul id="ge6mw"></ul>
  • <ul id="ge6mw"><tbody id="ge6mw"></tbody></ul>
  • <samp id="ge6mw"><tbody id="ge6mw"></tbody></samp>

    V230/V231D self operated pressure regulating valve

    V230/V231D self operated pressure regulating valve
    • sell:021-32051999
    • sell:021-32050777
    • fax:021-66099555

    Details

    • Product Introduction
    • Service Promise
    • Ordering Process

    V230D/V231D self-acting pressure (differential pressure) regulating valve is composed of membrane (piston) actuator, valve body, valve seat, valve core, balance spring and other components. It is a kind of valve which can automatically adjust the pressure without external energy and only rely on the change of the pressure of the regulated medium itself. It is produced by introducing the controlled medium into the actuator according to the mechanical principle. The energy-saving products with constant or reduced pressure in front or behind the valve are suitable for the pressure control of non-corrosive liquids, gases, steam and other media. They are widely used in petroleum, chemical, metallurgical, light industry and urban heating and heating systems.


    Product characteristics of self operated pressure (differential pressure) regulating valve


    The greatest characteristic of self-operated pressure (differential pressure) regulating valve is that it can work in the place without electricity and gas, and the pressure setting value can be adjusted at will during operation.


    This product has nominal pressure PN1.6, 2.5, 4.0; nominal diameter range 20 300 mm; service temperature 300 Various varieties available.


    Type specification of self pressure (differential pressure) regulating valve

    category
    Pressure control valve
    Differential pressure control valve
    Valve rear pressure regulating valve
    Pressure regulating valve before valve
    Differential pressure rising valve closing type
    Differential pressure rising valve open type
    Hard seal
    Soft seal
    Hard seal
    Soft seal
    Hard seal
    Soft seal
    Hard seal
    Soft seal
    Model
    V230D01
    V231D01
    V230D02
    V231D02
    V230D03
    V231D03
    V230D04
    V231D04
    Specifications
    DN15~200
    Self operated pressure (differential pressure) regulating valve main parts material


    Material code
    C(WCB)
    P(304)
    R(316)
    main
    Spare parts
    valve body
    WCB(ZG230-450)
    ZG1Cr18Ni9Ti(304)
    ZG1Cr18Ni12Mo2Ti(316)
    Valve core and valve seat
    1Cr18Ni9Ti(304)
    1Cr18Ni9Ti(304)
    1Cr18Ni12Mo2Ti(316)
    Stem
    1Cr18Ni9Ti
    1Cr18Ni9Ti
    1Cr18Ni12Mo2Ti
    diaphragm
    EPDM或FKM夾纖維
    Membrane cover
    A3鋼鍍鋅
    filler
    聚四氟乙烯,柔性石墨
    Spring
    60Si2Mn


    Main technical parameters of self operated pressure (differential pressure) regulating valve
    Nominal pathDN(mm)
    20
    25
    32
    40
    50
    65
    80
    100
    125
    150
    200
    Rated discharge coefficientKv
    6.3
    8
    16
    20
    32
    50
    80
    125
    160
    320
    450
    Noise measurement coefficient Z value
    0.6
    0.6
    0.55
    0.55
    0.5
    0.5
    0.45
    0.4
    0.35
    0.3
    0.2
    Allowable pressure difference
    1.6(MPa)
    1.6
    1.5
    1.2
    1.0
    4.0(MPa)
    2.0
    1.5
    1.2
    1.0
    Nominal pressure(MPa)
    1.6 2.5 4.0
    Adjustment precision(%)
    ±5
    working temperature(℃)
    Liquid < 140; Gas < 80; Condenser < 200; Condenser and radiator < 350; Condenser and extension < 300;
    Applicable medium
    Holding water, gas, steam, low viscosity medium
    Pressure balance element
    corrugated pipe
    Rolldiaphragm
    Allowable leakage
    Hard seal(L/h)
    Less than 4 * 10-4 * valve rated capacity
    Soft seal
    10Bubble/min
    20Bubble/min
    40Bubble/min
    Maximum working pressureMPa
    Relationship between Nominal pressure (delta Pmax and working pressure and working temperature)
    Self actuating pressure (differential pressure) regulating valve actuator
    Model
    V230D01(D03) V231D01(D03)
    V230D02(D04) V231D02(D04)
    effective areacm2
    32※
    80※
    250
    630
    32※
    80※
    250
    630
    Pressure setting rangeMPa
    0.3~1.2
    0.1~0.6
    0.015~0.15
    0.005~0.035
    0.3~1.1
    0.1~0.5
    0.015~0.12
    0.005~0.035
    0.8~1.6
    0.05~0.3
    0.01~0.07
    1.0~1.6
    0.05~0.25
    0.01~0.06
    Ensure minimum pressure difference for normal working pressure.△P MPa
    ≥0.05
    ≥0.04
    ≥0.01
    ≥0.05
    ≥0.05
    ≥0.04
    ≥0.01
    ≥0.05
    Allow maximum pressure difference between upper and lower membrane chambers.MPa
    2.0
    1.25
    0.4
    0.15
    2.0
    1.25
    0.4
    0.15
    Tripmm
    18
    18
    23
    23
    18
    18
    23
    23
    Control pipeline, connector
    Copper tube or steel pipe 10 * 1; card sleeve joint R1/4 "

    Note: the pressure setting range is not applicable to DN150~200.


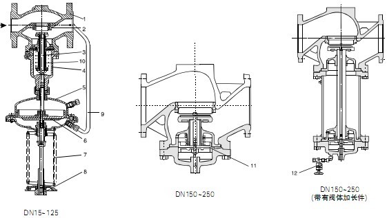
    Self operated pressure (pressure difference) regulating valve structure

    1
    valve body
    2
    valve seat
    3
    Valve shaft
    4
    Valve cover
    5
    Membrane cover
    6
    diaphragm
    7
    Spring
    8
    Adjusting nut
    9
    Pressure tube
    10
    corrugated pipe
    11
    balancediaphragm
    12
    Filling valve
    Main dimensions of self operated pressure (differential pressure) regulating valves
    Body size
    Nominal pathDN(mm)
    15
    20
    25
    32
    40
    50
    65
    80
    100
    125
    150
    200
    L(mm)
    130
    150
    160
    180
    200
    230
    290
    310
    350
    400
    480
    600
    B(mm)
    212
    212
    238
    238
    240
    240
    275
    275
    380
    380
    295
    325
    Actuator size
    effective areacm2
    32
    80
    250
    630
    ΦR(mm)
    172
    172
    263
    380
    H
    D01(D03)
    435
    430
    470
    520
    D02(D04)
    440
    435
    440
    520

    The best quality, first-class service Qigao creates more value for you!

    "Qigao Valve" expects to continuously improve service quality and strive for excellence. "Sincere service" is the eternal theme of "Qigao". "Qigao" strictly followsIS09001-2000 Quality system certification requirements, strict quality control, responsibility to people, to ensure the healthy operation of production, sales and service. Strengthen communication with users and provide quality products to our customers with perfection and perfect service. Hereby our factory makes the following commitments:

    Product Standards:

    Products in strict accordance with ChinaGB、HG Standard and USAPISuch as standard design, manufacturing, acceptance. The hardness of the sealing surface meets the requirements of the state and the width exceeds the national standard.

    pre-sale service:

    Product introduction, technical exchange, non-standard product design, troubleshooting。

    Sale service:

    A trustworthy contract guarantees timely delivery and keeps in touch with customers. For special or duplicate products, our factory arranges technicians to use and troubleshoot the products for users.

    After sales service:

    1、"Qigao" brand product quality period is from the factory12In the month, the implementation of the "three guarantees" service (return, replacement, warranty).

    2、During the use of our products, our factory regularly organizes technical and quality inspection personnel to visit and consult users for feedback on product quality, usage status and improvement opinions, so as to further improve product quality.

    3、Respond quickly to the quality of user complaints, after-sales service personnel rushed to the scene in 24-36 hours (48 hours outside the province).

    4、For after-sales service, users are required to fill out the quality feedback information form after the service and make an appraisal opinion in order to improve the service quality of Qigao.

    1、If the customer has special requirements for the product, the following instructions must be provided in the order contract.:

    a、Structure length;

    b、Connection Type;

    c、Nominal diameter, full diameter, reduced diameter, pipe size;

    d、Operating medium and temperature, pressure range;

    e、Tests, inspection standards and other requirements

    2、The factory can configure various types of driving devices according to customer's specific requirements.。

    3、If the type and model of the valve are determined by the customer, the customer shall correctly state the meaning and requirements of the model and sign the contract under the condition that the supplier and the buyer understand each other.

    4、For futures and order customers, please call us in advance to tell the required valve model, specification, quantity, delivery time and location, and timely transfer to the factory account according to the total 30% deposit or full payment. The rest of the payment is pending. Import before shipment to arrange delivery in time.

     

    Order Process:

    1、Customer purchase list fax to021-33872143,Or call us 021-33872141

    2、Receive customer purchase list, provide valve model selection and quotation (price list)。

    3、Specific agreement: delivery date, special requirements, etc.。

    download Google:

    1、If the customer has special requirements for the product, the following instructions must be provided in the order contract.:

    a、Structure length;

    b、Connection Type;

    c、Nominal diameter, full diameter, reduced diameter, pipe size;

    d、Operating medium and temperature, pressure range;

    e、Tests, inspection standards and other requirements

    2、The factory can configure various types of driving devices according to customer's specific requirements.。

    3、If the type and model of the valve are determined by the customer, the customer shall correctly state the meaning and requirements of the model and sign the contract under the condition that the supplier and the buyer understand each other.

    4、For futures and order customers, please call us first to tell the required valve model, specifications, quantity, delivery time and location, and press the total30%The deposit or full payment will be remitted to our factory account in time., The rest of the payment will be remitted before shipment to arrange delivery in time.。

    Sale service:

    Trustworthy contract, guarantee timely delivery, keep in touch with customers at any time。

    For special or duplicate products, our factory arranges technicians to use and troubleshoot the products for users.

    After sales service:

    1、"Qigao" product quality period is from the factory12Month, practiceThree packsService (return, replacement, warranty)。

    2、During the use of our products, our factory regularly organizes technical and quality inspection personnel to visit and consult users for feedback on product quality, usage status and improvement opinions.,
    In order to further improve product quality。

    3、Respond quickly to the quality of user complaints, after-sales service personnel24-36Hours (outside the province48Hour) rushed to the scene。

    4、For after-sales service, the user is required to fill out the quality feedback information form after the service and make an appraisal opinion in order to improve the service quality of “Qigao”.。

    statement

    1. All text, data and pictures in this article are for reference only.V230/V231D self operated pressure regulating valvePlease contact us at 4000-700-665 for details of performance, size and price.
    2. If there is no explanation, this article is original, reprint, please indicate the address of this article, thank you for your cooperation!
    <ul id="ge6mw"></ul>
  • <ul id="ge6mw"><tbody id="ge6mw"></tbody></ul>
  • <samp id="ge6mw"><tbody id="ge6mw"></tbody></samp>