<ul id="ge6mw"></ul>
  • <ul id="ge6mw"><tbody id="ge6mw"></tbody></ul>
  • <samp id="ge6mw"><tbody id="ge6mw"></tbody></samp>

    GI-A high vacuum butterfly valve

    GI-A high vacuum butterfly valve
    • sell:021-32051999
    • sell:021-32050777
    • fax:021-66099555

    Details

    • Product Introduction
    • Service Promise
    • Ordering Process

    GI-A series of high vacuum butterfly valves are used to connect or cut off the air flow in the vacuum pipeline. The valve plate adopts clamping structure, clamping the sealing ring of the valve plate, playing a better sealing role. Valve opening and closing has locking function.

    GI-A series high vacuum butterfly valves are suitable for working air and non corrosive gases.

    Main technical performance

    適用范圍(Pa)
    105~1.3x10-5
    閥門漏率(Pa.L/S)
    <1.3x10-6
    介質溫度(℃)
    -25~+80(密封材料為腈橡膠)
    -30~+150(密封材料為氟橡膠)
    法蘭標準
    GB/T6070
    安裝位置
    任意
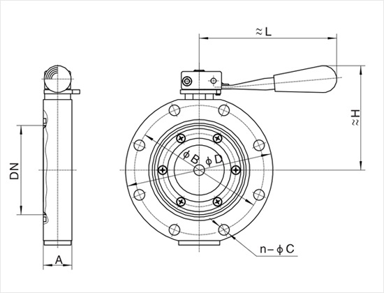
    Main shape connection dimensions
    型號
    通徑(DN)
    ΦD
    ΦB
    H
    A
    L
    n-ΦC
    GI-50A
    50
    110
    90
    90
    26
    116
    4-Φ9
    GI-63A
    63
    130
    110
    100
    32
    132
    GI-80A
    80
    145
    125
    110
    32
    154
    8-Φ9
    GI-100A
    100
    165
    145
    120
    32
    154
    GI-125A
    125
    200
    175
    140
    35
    197
    8-Φ11
    GI-150A
    150
    225
    200
    155
    35
    197
    GI-200A
    200
    285
    260
    190
    45
    242
    12-Φ11
    GI-250A
    250
    335
    310
    225
    50
    330
    GI-300A
    300
    425
    395
    245
    55
    330
    12-Φ14
    Note: GI-63 flange connection is GB/T6070 standard.

    The best quality, first-class service Qigao creates more value for you!

    "Qigao Valve" expects to continuously improve service quality and strive for excellence. "Sincere service" is the eternal theme of "Qigao". "Qigao" strictly followsIS09001-2000 Quality system certification requirements, strict quality control, responsibility to people, to ensure the healthy operation of production, sales and service. Strengthen communication with users and provide quality products to our customers with perfection and perfect service. Hereby our factory makes the following commitments:

    Product Standards:

    Products in strict accordance with ChinaGB、HG Standard and USAPISuch as standard design, manufacturing, acceptance. The hardness of the sealing surface meets the requirements of the state and the width exceeds the national standard.

    pre-sale service:

    Product introduction, technical exchange, non-standard product design, troubleshooting。

    Sale service:

    A trustworthy contract guarantees timely delivery and keeps in touch with customers. For special or duplicate products, our factory arranges technicians to use and troubleshoot the products for users.

    After sales service:

    1、"Qigao" brand product quality period is from the factory12In the month, the implementation of the "three guarantees" service (return, replacement, warranty).

    2、During the use of our products, our factory regularly organizes technical and quality inspection personnel to visit and consult users for feedback on product quality, usage status and improvement opinions, so as to further improve product quality.

    3、Respond quickly to the quality of user complaints, after-sales service personnel rushed to the scene in 24-36 hours (48 hours outside the province).

    4、For after-sales service, users are required to fill out the quality feedback information form after the service and make an appraisal opinion in order to improve the service quality of Qigao.

    1、If the customer has special requirements for the product, the following instructions must be provided in the order contract.:

    a、Structure length;

    b、Connection Type;

    c、Nominal diameter, full diameter, reduced diameter, pipe size;

    d、Operating medium and temperature, pressure range;

    e、Tests, inspection standards and other requirements

    2、The factory can configure various types of driving devices according to customer's specific requirements.。

    3、If the type and model of the valve are determined by the customer, the customer shall correctly state the meaning and requirements of the model and sign the contract under the condition that the supplier and the buyer understand each other.

    4、For futures and order customers, please call us in advance to tell the required valve model, specification, quantity, delivery time and location, and timely transfer to the factory account according to the total 30% deposit or full payment. The rest of the payment is pending. Import before shipment to arrange delivery in time.

     

    Order Process:

    1、Customer purchase list fax to021-33872143,Or call us 021-33872141

    2、Receive customer purchase list, provide valve model selection and quotation (price list)。

    3、Specific agreement: delivery date, special requirements, etc.。

    download Google:

    1、If the customer has special requirements for the product, the following instructions must be provided in the order contract.:

    a、Structure length;

    b、Connection Type;

    c、Nominal diameter, full diameter, reduced diameter, pipe size;

    d、Operating medium and temperature, pressure range;

    e、Tests, inspection standards and other requirements

    2、The factory can configure various types of driving devices according to customer's specific requirements.。

    3、If the type and model of the valve are determined by the customer, the customer shall correctly state the meaning and requirements of the model and sign the contract under the condition that the supplier and the buyer understand each other.

    4、For futures and order customers, please call us first to tell the required valve model, specifications, quantity, delivery time and location, and press the total30%The deposit or full payment will be remitted to our factory account in time., The rest of the payment will be remitted before shipment to arrange delivery in time.。

    Sale service:

    Trustworthy contract, guarantee timely delivery, keep in touch with customers at any time。

    For special or duplicate products, our factory arranges technicians to use and troubleshoot the products for users.

    After sales service:

    1、"Qigao" product quality period is from the factory12Month, practiceThree packsService (return, replacement, warranty)。

    2、During the use of our products, our factory regularly organizes technical and quality inspection personnel to visit and consult users for feedback on product quality, usage status and improvement opinions.,
    In order to further improve product quality。

    3、Respond quickly to the quality of user complaints, after-sales service personnel24-36Hours (outside the province48Hour) rushed to the scene。

    4、For after-sales service, the user is required to fill out the quality feedback information form after the service and make an appraisal opinion in order to improve the service quality of “Qigao”.。

    statement

    1. All text, data and pictures in this article are for reference only.GI-A high vacuum butterfly valvePlease contact us at 4000-700-665 for details of performance, size and price.
    2. If there is no explanation, this article is original, reprint, please indicate the address of this article, thank you for your cooperation!
    <ul id="ge6mw"></ul>
  • <ul id="ge6mw"><tbody id="ge6mw"></tbody></ul>
  • <samp id="ge6mw"><tbody id="ge6mw"></tbody></samp>